JavaScript is required to view this page.
Przepływowy podgrzewacz wody MDC 230 plus – wydajny & Ekonomiczny | Sklep GEMA

Telefon +49(0)39262 878720

E-mail: gemashop@gema-net.de

WhatsApp: +49(0)17660429928

  • szybka wysyłka

  • Bezpłatna pomoc i porady

  • Bezproblemowe zwroty

  • Otwarte 7 dni w tygodniu

Anhaltinerring 17, 39439 Güsten

Otwarte od poniedziałku do czwartku w godzinach 7:00-17:00; Piątek 7:00-16:00; Sobota 9:00-12:00

Gema GmbH  |  Numer SKU: MDC230+EEHP15

Footprint MDC 230 plus 1,5 kW element grzewczy

Normalna cena 418.00 лв
zawiera podatek VAT. Wysyłka zostanie pobrana przy kasie.


Dostawa i wysyłka

Czas realizacji zamówienia wynosi zazwyczaj 1 dzień roboczy. Dostawa paczek trwa 1-3 dni robocze. W przypadku spedycji czas dostawy wynosi 3-5 dni roboczych. Czas dostawy poza granice Niemiec może się różnić.

Beschreibung

Moduł dogrzewania/przepływowy podgrzewacz wody Grzałka MDC 230 plus 1,5 kW – wydajne wspomaganie ogrzewania i niezawodne rozwiązanie dodatkowego ogrzewania

Przegląd produktu

Kompletny zestaw łączy w sobie wszechstronny moduł grzewczy MDC 230 z wydajnym wkładem grzewczym o mocy 1,5 kW. Idealnie nadaje się jako elastyczne uzupełnienie istniejących systemów grzewczych i niezawodnie zapewnia dodatkowe ciepło w razie potrzeby.

Szybki montaż, niewielkie wymagania przestrzenne i solidna konstrukcja sprawiają, że system ten idealnie nadaje się do stosowania w nowych budynkach, modernizowanych oraz w przypadku krótkotrwałych awarii głównego źródła ciepła.

Obszary zastosowania i zastosowania

Moduł ogrzewania pomocniczego MDC 230 bezproblemowo integruje się z otwartymi i zamkniętymi obiegami grzewczymi i może być używany zarówno jako ogrzewanie ciągłe, jak i awaryjne. Pomaga efektywnie wykorzystać nadmiar energii, na przykład z instalacji fotowoltaicznych, do zaspokojenia potrzeb grzewczych.

System idealnie nadaje się do stosowania w domach weekendowych i wakacyjnych, gwarantuje ciągłość dostaw ciepła nawet w przypadku konserwacji lub awarii kotłów, kotłów kondensacyjnych lub pomp ciepła.

Dane techniczne i wyposażenie

Moduł posiada izolowaną obudowę z surowej stali z ochronną, malowaną proszkowo powłoką zewnętrzną w kolorze szarym. Izolacja z pianki poliuretanowej o grubości 50 mm zapewnia wydajną pracę i długowieczność urządzenia.

Wyposażony w 1 1/2" Wewnętrzne przyłącze gwintowane elementu grzejnego oferuje wszechstronne możliwości zastosowania, maksymalna temperatura robocza wynosi 90°C, a ciśnienie robocze do 10 barów, co gwarantuje bezpieczeństwo użytkowania.

Warianty wydajności i minimalny przepływ

Wkład grzejny kompletnego zestawu dostępny jest w różnych klasach mocy, zaprojektowanych specjalnie dla mocy 1,5 kW, 2,0 kW, 3,0 kW przy napięciu 230 V oraz 4,5 kW, 6,0 kW i 9,0 kW przy napięciu 400 V. Warianty te umożliwiają optymalne dopasowanie do indywidualnego zapotrzebowania energetycznego systemu grzewczego.

Minimalne natężenia przepływu – 86 l/h dla 1,5 kW, 114 l/h dla 2,0 kW, 171 l/h dla 3,0 kW, 257 l/h dla 4,5 kW, 343 l/h dla 6,0 kW i 514 l/h dla 9,0 kW – gwarantują efektywne przenoszenie ciepła i płynną pracę również przy zmieniającym się zapotrzebowaniu na ciepło.

Zalety i wartość dodana

Dzięki niskim kosztom zakupu i łatwej instalacji system oferuje znaczną wartość dodaną. Kompaktowa konstrukcja i solidna konstrukcja sprawiają, że jest on szczególnie atrakcyjny w przypadku ograniczonej przestrzeni montażowej i szybkiego wdrożenia.

Niezależnie od tego, czy jest to uzupełnienie systemów energii odnawialnej, czy niezawodne rozwiązanie awaryjne, kompleksowy pakiet poprawia efektywność energetyczną i trwale zwiększa komfort życia.

Wkład grzejny – wydajne uzupełnienie ciepłej wody użytkowej i ogrzewania

Wkład grzejny o mocy 3 kW został specjalnie zaprojektowany do stosowania w domowych zbiornikach wody pitnej i zbiornikach magazynowych. Zapewnia precyzyjną kontrolę temperatury, a tym samym stałe dostarczanie ciepła zarówno w zastosowaniach domowych, jak i komercyjnych.

Dzięki wysokiej jakości wykonania ze stali nierdzewnej i wytrzymałego tworzywa sztucznego, wkład grzewczy jest nie tylko trwały, ale również odporny na korozję i wysokie temperatury.

Wysokiej jakości materiały i bezpieczeństwo

Konstrukcja ze stali nierdzewnej i zastosowanie grzałki ze stopu Alloy 825 gwarantują najwyższą jakość materiału. Biała obudowa z tworzywa sztucznego dodatkowo podkreśla atrakcyjny wygląd produktu.

Zintegrowana obudowa termostatu umożliwia precyzyjną kontrolę temperatury w zakresie od 5 do 75 °C, a ogranicznik temperatury bezpieczeństwa na poziomie 93 °C stanowi dodatkową ochronę przed przegrzaniem.

Łatwa instalacja i niezawodna ochrona

Prosta integracja wkładu grzewczego z istniejącymi zbiornikami magazynowymi jest możliwa dzięki 1 1/2" Obsługiwane jest przyłącze z gwintem zewnętrznym i kompaktowa długość montażowa 300 mm. Kabel przyłączeniowy o długości 1,5 metra umożliwia również nieskomplikowane zasilanie.

Dodatkowo oba komponenty spełniają odpowiednie normy bezpieczeństwa: moduł podgrzewający charakteryzuje się stopniem ochrony IP44, a wkład grzewczy jest bryzgoszczelny zgodnie z normą IPX4. Dzięki maksymalnemu ciśnieniu roboczemu 10 barów oba rozwiązania idealnie nadają się do wymagających zastosowań.

Wnioski: Efektywne ogrzewanie najwyższej jakości

Kompletny zestaw, składający się z modułu grzewczego MDC230 oraz wkładu grzewczego o mocy 1,5 kW, łączy wszechstronne możliwości zastosowania z nowoczesną technologią i łatwością obsługi. Oferuje elastyczne rozwiązania grzewcze dla szerokiego zakresu zastosowań i gwarantuje niezawodne wsparcie w najważniejszych momentach.

Dzięki zastosowaniu wysokiej jakości materiałów, energooszczędnej pracy i łatwemu montażowi system ten jest idealnym rozwiązaniem pozwalającym na długotrwałą optymalizację komfortu i funkcjonalności istniejących systemów grzewczych.

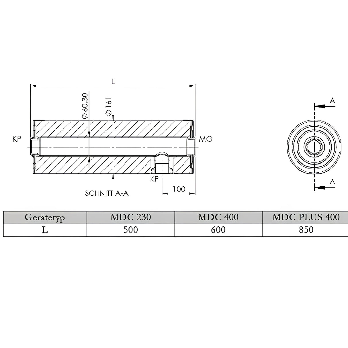
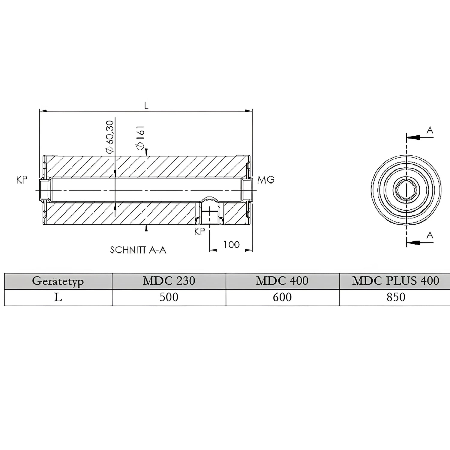
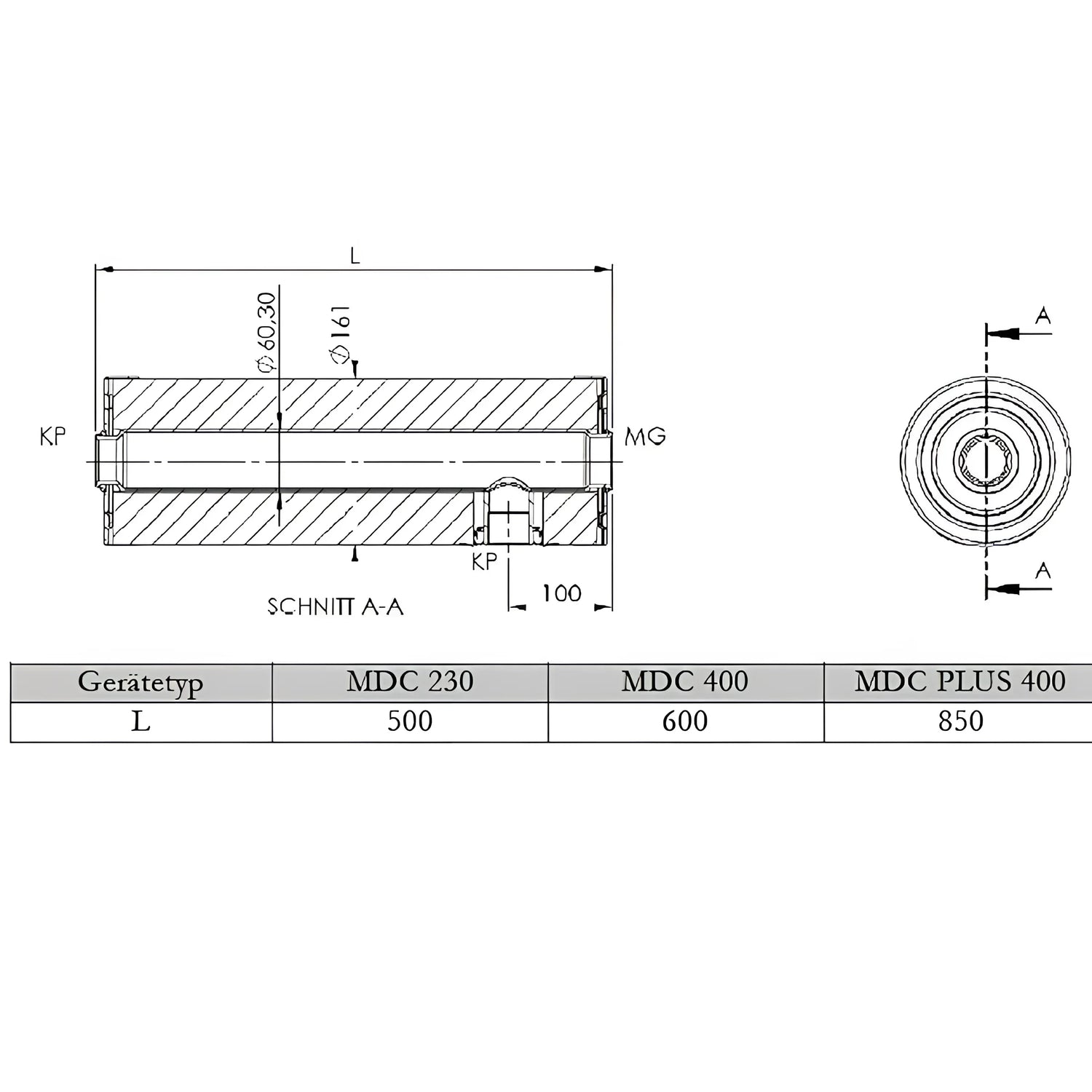
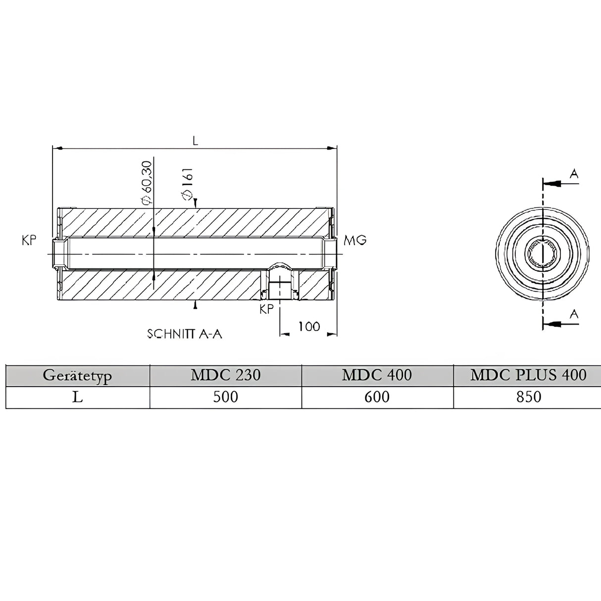
Dane techniczne modułu MDC

  • Przepływ i powrót połączenia: 1 1/4" IG
  • Podłączenie elementu grzejnego: 1 1/2" IG
  • Maksymalna dopuszczalna temperatura pracy: 90 °C
  • Maksymalne dopuszczalne ciśnienie robocze: 10 bar
  • Materiał obudowy: surowa stal wewnątrz, malowana proszkowo na zewnątrz
  • Izolacja obudowy: pianka poliuretanowa 50 mm
  • Powłoka zewnętrzna: plastik, kolor: szary
  • Minimalny przepływ: 1,5 kW/86 l/h
  • Odpowiednie elementy grzejne dla modułu MDC230: 1,5 kW | 2,0 kW | 3,0 kW (230 V)
  • Średnica wewnętrzna modułu MDC: 60 mm
  • Wymiary MDC230 (średnica x długość): 161 mm x 500 mm

Dane techniczne wkładu grzewczego

  • Moc grzewcza: 1,5 kW
  • Kontrola temperatury: 5-75°C
  • Histereza włączania: 7-10°C
  • Długość montażowa: 300 mm
  • Długość bez nagrzewania: 70 mm
  • Ogranicznik temperatury bezpieczeństwa: 93°C
  • Połączenie: 1 1/2" gwint zewnętrzny
  • Klasa ochrony: IPX4
  • Maksymalne ciśnienie robocze: 10 barów
  • Materiał powłoki zewnętrznej: plastik, biały
  • Materiał cewki grzewczej: stop 825
  • Zasilanie: jednofazowe 230 V/16 A
  • Długość kabla: 1,5 metra z wtyczką

Zakres dostawy

  • Moduł MDC 230
  • Element grzejny 1,5 kW
  • Montaż &wzmacniacz; Instrukcja obsługi

Pobierać

zapłata & Bezpieczeństwo

Opcje płatności

  • American Express
  • Apple Pay
  • Bancontact
  • BLIK
  • EPS
  • Google Pay
  • iDEAL
  • Klarna
  • Maestro
  • Mastercard
  • MobilePay
  • PayPal
  • Przelewy24
  • Shop Pay
  • Union Pay
  • Visa

Twoje dane dotyczące płatności są przetwarzane w sposób bezpieczny. Nie przechowujemy ani nie uzyskujemy dostępu do danych Twojej karty kredytowej.

Opinie klientów

Bądź pierwszy, który napisze recenzję
0%
(0)
0%
(0)
0%
(0)
0%
(0)
0%
(0)

Skontaktuj się z nami

reviews
See all reviews