Автоматичен вентил за отопление BA 6628 Plus DN20 за отоплителни системи
Автоматичен вентил за отопление BA 6628 Plus DN20 за отоплителни системи on laos ja saadetakse kohale niipea, kui see uuesti saadaval on
Keine technischen Highlights gefunden.
Beschreibung
Beschreibung
FüllCombi BA 6628 – Автоматична станция за пълнене и доливане за централни отоплителни системи с топла вода
Кратко описание
FüllCombi BA 6628 е компактно устройство за пълнене и доливане, специално проектирано за централни отоплителни системи с топла вода съгласно DIN EN 12828. То позволява постоянно свързване към тръбопровода за питейна вода съгласно DIN EN 1717 и замества предишното свързване с маркуч.
Функция и област на приложение
По време на пълнене, интегрираният модул следи налягането на захранването; ако то падне под налягането на отоплителната система по време на процеса на пълнене, вграденият системен сепаратор BA (сертифициран до категория флуиди 4) предотвратява връщането на отоплителната вода обратно в системата за питейна вода. Поради това FüllCombi е идеален за жилищни сгради, търговски обекти и по-малки отоплителни системи, където се изискват съответстващи на стандартите и безопасни процеси на пълнене.
Предимства
Комбинацията от спирателен вентил, редуктор на налягане, манометър, системен сепаратор BA и връзка за отпадъчни води предлага напълно съвместимо решение в едно устройство. Постоянна връзка към системата за питейна вода е възможна, дори ако отоплителната вода съдържа инхибитори (против корозия и антифриз). От съображения за безопасност се препоръчва спирателният вентил да се затвори след завършване на процеса на пълнене.
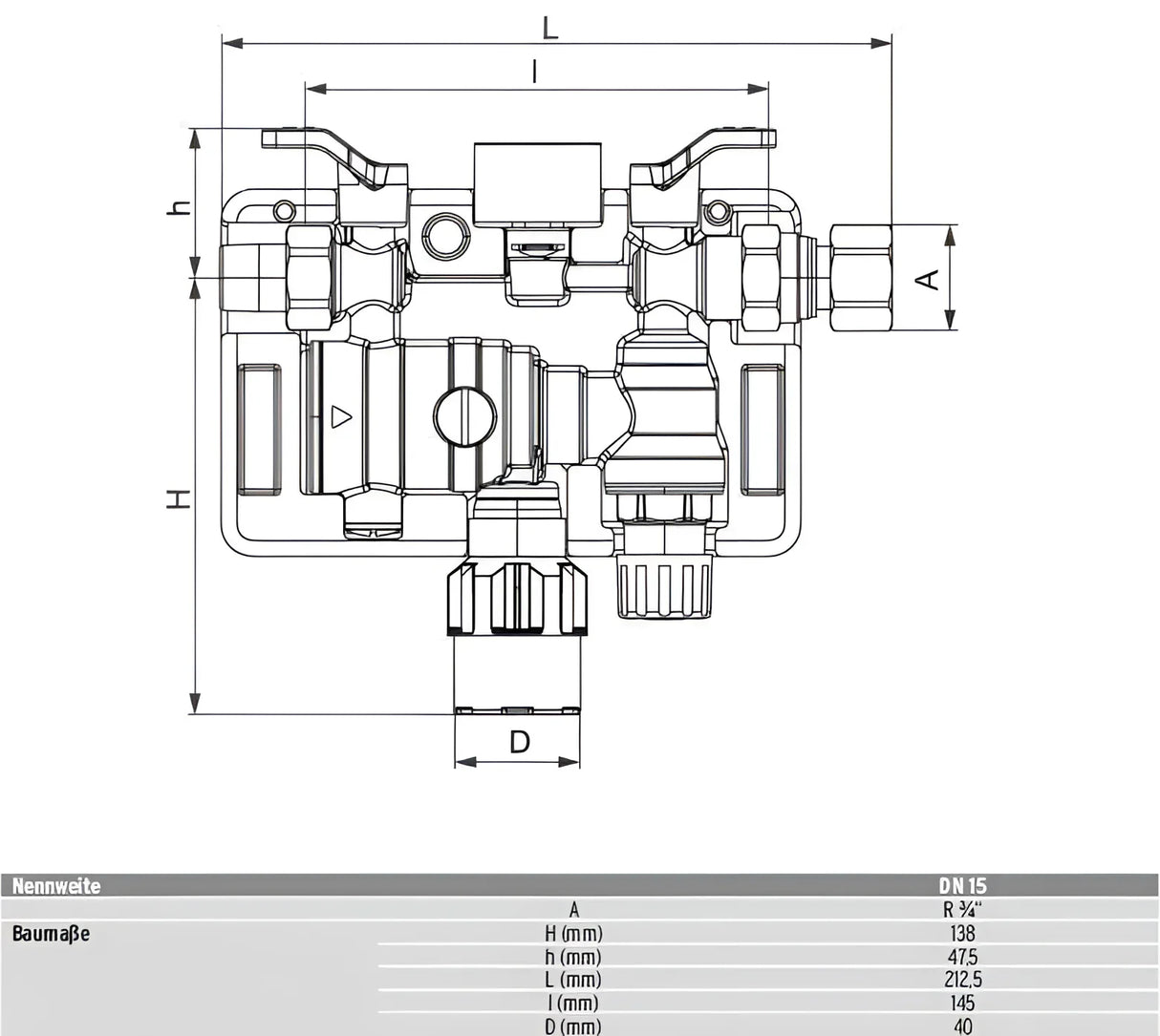
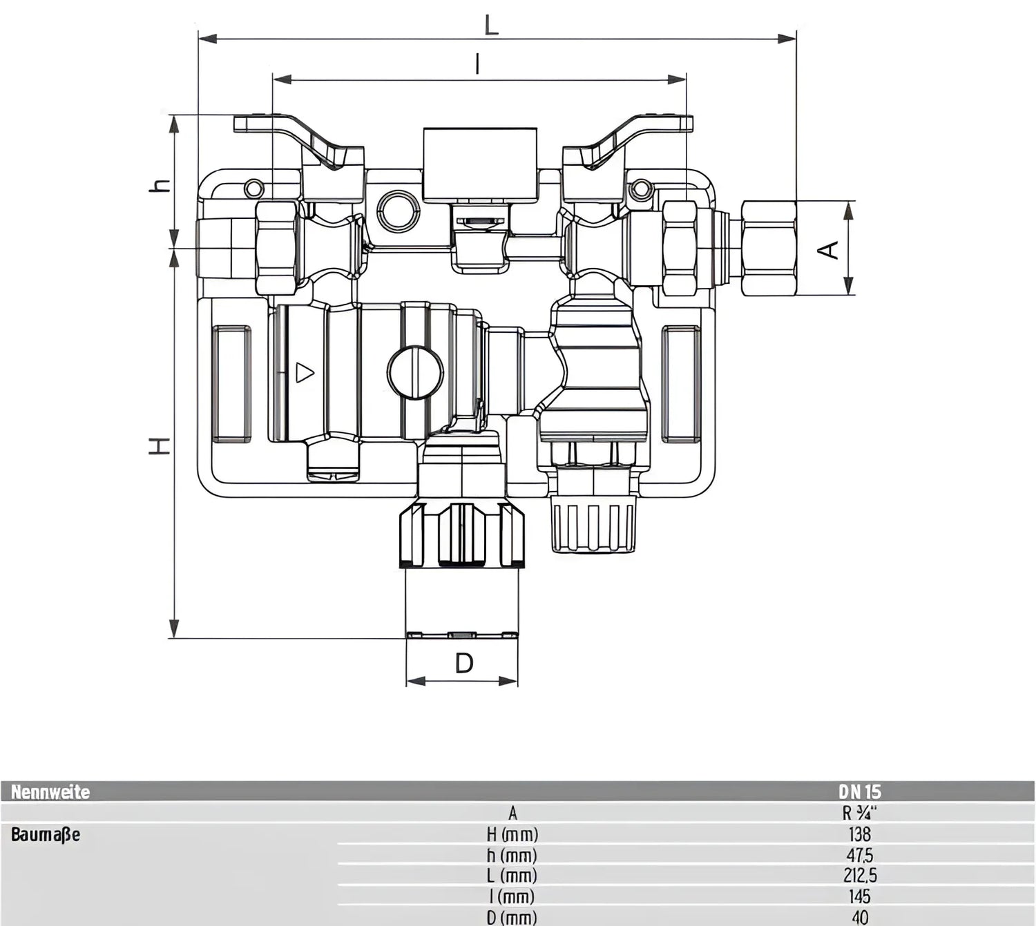
Технически данни
Работно налягане: макс. 10 бара
Работна температура: макс. 30 °C (вход), макс. 65 °C (изход)
Монтажно положение: хоризонтално, фунийна връзка надолу
Изходно налягане: 0,5 - 4 бара (фабрична настройка: 1,5 бара)
Среда: Питейна вода
Капацитет на пълнене: 1,35 м³/ч при Δp 1,5 бара
Размер на присъединяването: DN 20
Инсталиране и употреба
FüllCombi се монтира хоризонтално с фунийната връзка надолу. Той е постоянно свързан към тръбопровода за питейна вода и замества временните решения с маркучи. Изходното налягане е фабрично настроено на 1,5 бара, но може да се регулира в допустимия диапазон.
Безопасност и поддръжка
Вграденият системен сепаратор BA осигурява надеждна защита на инсталацията за питейна вода, дори в случай на риск от обратен поток до категория флуид 4. Спирателният кран трябва да се затваря след всеки процес на пълнене. Редовните визуални проверки и функционални проверки (манометър, херметичност, свързване към отпадъчни води) удължават експлоатационния живот и осигуряват съответствие със стандартите.
Обхват на доставката & Бележки
Комбинираният комплект за пълнене BA 6628 съдържа всички гореспоменати компоненти: спирателен вентил, редуктор на налягане, манометър, системен сепаратор BA и връзка за отпадъчни води. Преди монтажа трябва да се спазват местните разпоредби и спецификациите на DIN EN 12828 и DIN EN 1717; ако не сте сигурни, препоръчително е да се консултирате с квалифициран специалист.
плащане & Сигурност
Опции за плащане
Информацията за плащането ви се обработва сигурно. Ние не съхраняваме и не осъществяваме достъп до информацията за кредитната ви карта.



